نحوه محاسبه طول اتصال خرطومی جهت دفع حركت عرضی

  1. خانه
  2. chevron_left
  3. مقالات
  4. chevron_left
  5. نحوه محاسبه طول اتصال خرطومی جهت دفع حركت عرضی
نحوه محاسبه طول اتصال خرطومی جهت دفع حركت عرضی

نحوه محاسبه طول اتصال خرطومی جهت دفع حركت عرضی

مقالات
اشتراک گذاری :

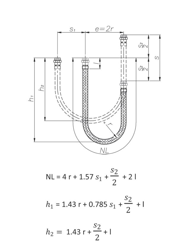
برای محاسبه طول اتصال خرطومی لازم است بدانیم حداقل طول فلكسيبل مورد نیاز (NL) برای جبران حرکت عرضی مشخص (a) با استفاده از موقعیت نصب اتصال و حداقل شعاع خمشی شیلنگ (r) قابل محاسبه می‌باشد. به عنوان مثال، شکل زیر موقعیت نصب شیلنگ فلكسیبل جهت جبران نشست مخازن ذخیره را نشان می‌دهد.

نحوه محاسبه طول اتصال خرطومی جهت دفع حركت عرضیجهت سهولت در کاربرد، طول شیلنگ مورد نیاز برای جبران حرکت‌های عرضی بین ۱۵ تا ۲۵۰ میلی‌متر محاسبه شده و به شرح جدول زیر در اختیار کاربران قرار می‌گیرد:

نحوه محاسبه طول اتصال خرطومی جهت دفع حركت عرضی

به عنوان نمونه، هنگامی که از شیلنگ سایز ۶ اینچ برای جبران حرکت عرضی a = 50 mm استفاده می‌شود، حداقل طول فلكسیبل مورد نیاز ۸۲۶ میلی‌متر است. با این حال، استفاده از طول‌های بزرگتر باعث افزایش عمر کارکرد اتصال می‌شود.

نحوه برآورد طول شیلنگ فلکسیبل خرطومی جهت دفع حركت عرضی

شیلنگ‌های فلزی فلکسیبل از اجزای کلیدی در سیستم‌های لوله‌کشی صنعتی هستند که برای جذب حرکات، لرزش‌ها و)عدم همراستایی و ناهمترازی ها) طراحی شده‌اند. این شیلنگ‌ها معمولاً از فولاد ضدزنگ شده و آکاردئونی شکل با روکش بافته‌شده ساخته می‌شوند و انعطاف‌پذیری بالایی در کاربردهایی مانند انبساط حرارتی، لرزشها و زلزله ها یا جابه‌جایی‌های مکانیکی و… ارائه می‌دهند.

یکی از جنبه‌های مهم طراحی آن‌ها، جبران حرکت جانبی (حرکت افست) است که در آن شیلنگ به صورت جانبی خم می‌شود تا جابه‌جایی‌های عمود بر محور خود را جذب کند. این مقاله به بررسی محاسبه حداقل طول شیلنگ برای چنین جبرانی می‌پردازد و از اصول فنی استانداردهای مربوطه استنتاج شده است.

حرکت عرضی در مواردی مانند نشست مخازن ذخیره رخ می‌دهد، جایی که مخازن به دلیل فرونشست به طور ناهموار پایین می‌روند و لوله‌های متصل را جابه‌جا می‌کنند. بدون جبران مناسب، این حرکات منجر به تمرکز تنش، نشتی یا شکست شیلنگ می‌شود. محاسبه صحیح حداقل طول موثر (قسمت انعطاف‌پذیر) شیلنگ تضمین می‌کند که خمش بدون تجاوز از حد شعاع خمش مجاز انجام شود و عمر مفید افزایش یابد.

فرمول‌های اصلی برای محاسبه طول موثر (NL) بر اساس حرکتهای اعمالی و شکل های نصب مختلف در بالا آورده شده است.
موقعیت نصب تأثیر زیادی درین محاسبات دارند. برای مثال بعضا شیلنگ به شکل U یا حلقه نصب می‌شود تا یک انتها ثابت و انتهای دیگر متحرک باشد. خمش باید در یک صفحه انجام شود تا از پیچش (torsion) جلوگیری شود که عامل اصلی خرابی زودرس است.

ساختار شیلنگ شامل corrugationهای حلقوی است که انعطافپذیری را فراهم می‌کند بدون اینکه خط لوله دچار شکست شود. روکش بافته‌شده مقاومت فشار را افزایش می‌دهد و از کشیدگی و نیروی تاست جلوگیری می‌کند.

در محاسبات های آورده شده لازم است درکاربردهایی مانند لرزش مداوم، و حرکتهای پشت همو شعاع خمش به صورت دینامیک استفاده می‌شود. برای حرکات استاتیک (مانند misalignment اولیه)، شعاع خمش حالت استاتیک استفاده شود. نصب نادرست، مانند خمش خارج از صفحه یا اعمال نیروی محوری، عمر را کاهش می‌دهد. شیلنگ‌ها نباید برای جبران حرکت محوری مستقیم استفاده شوند؛ بلکه برای عرضی یا زاویه‌ای مناسب‌اند.. عوامل دیگری مانند دما، فشار و نوع سیال نیز در انتخاب اتصالات تأثیرگذارند.

ایمنی اولویت دارد: طول ناکافی منجر به خمش شدید و شکست می‌شود. همیشه از داده‌های فنی برای شعاع خمش خاص استفاده کنید، زیرا بسته به اندازه و نوع متفاوت است.
در نتیجه، محاسبه حداقل طول برای جبران حرکت عرضی در شیلنگ‌های فلزی فلکسیبل نیازمند تعادل بین افست، شعاع خمش و عوامل ایمنی است. رعایت این اصول، دوام و کارایی سیستم را در صنایع مختلف تضمین می‌کند.

نوشتهٔ پیشین
انواع فیتینگ دو سر شیلنگ فلکسیبل
نوشتهٔ بعدی
جدول مقاومت خوردگی شیلنگ فلکسیبل